產品介紹
產品介紹
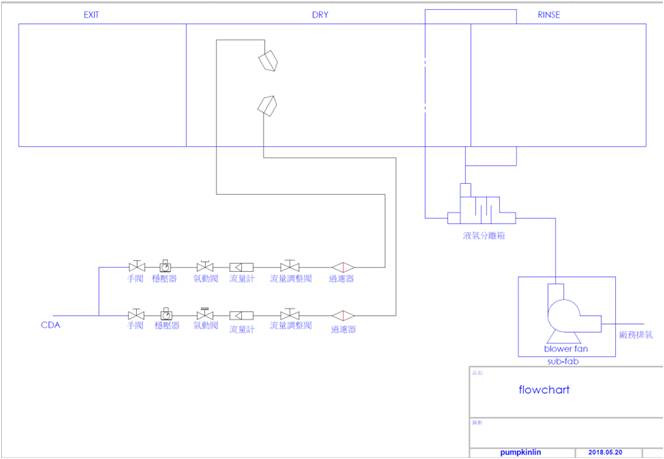
雙風刀改造實績
改造項目 : 雙風刀改造

本公司提供專業風刀機台改造服務,
針對因Blower Fan風壓不足,
導致產品異常的問題,
將風刀升級為雙風刀,
並改採廠務CDA供應,
提升穩定性與效率。

同時提供完整的電路設計與安裝,
以及精密的機構設計與安裝,
確保機台運作可靠,
協助客戶提升良率與產能。
TOP